TÍNH NĂNG
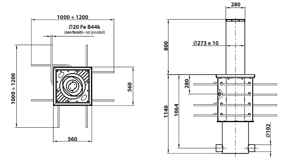
CỘT CHẮN XE CHỐNG KHỦNG BỐ XPASS B 275/800
Cột chắn xe chống khủng bố sử dụng động cơ thủy lực với đường kính 275mm, chiều cao 800mm, trang bị đèn báo LED phía trên cột, có thể tự động mở khi mất điện, phiên bản sơn tĩnh điện màu xám RAL 7015.

♦ XPASS B 275/800 thuộc dòng sản phẩm cột chắn xe sử dụng động cơ thủy lực của BFT cho phép bảo trì nhanh chóng, dễ dàng mà không cần dùng đến cần cẩu.
♦ Tính năng chống khủng bố được thử nghiệm và cấp chứng nhận bởi tổ chức độc lập CTS của Đức (crashtest-service.com) theo tiêu chuẩn PAS 68:2010 7500/50/N2 (tương đương tiêu chuẩn K4 trước đây). Khả năng ngăn chặn khủng bố vẫn được đảm bảo chỉ với duy nhất một cột chắn xe. Bơm thủy lực trang bị độc lập cho từng cột chắn xe: trong trường hợp một cột gặp sự cố, những cột khác vẫn tiếp tục hoạt động bình thường.

THÔNG SỐ KỸ THUẬT